Náhled na konstrukci - ke zvětšení obrázku klikněte na náhled  Tato konstrukce doplňuje dálkově ovládaný stmívač. Jde o doplnění ve formě ovladače, který je možno přimontovat na téměř libovolné viditelné místo místnosti (DO od spotřební elektroniky by přeci jen nevypadalo na stěně úplně nejlépe) a po osazení konstrukcí stmívače získáme možnost ovládat osvětlení z námi zvoleného místa bez sekání kabelů a bez nepořádku. Navíc je možno použít tento ovladač ve vlhkých prostorech, neboť je napájen z 9V destičkové baterie.

  elegantní řešení problematických situací s umístěním dalšího vypínače - není třeba sekat do omítky !
  rychlá a snadná montáž (přišroubovat nebo přilepit na libovolné místo místnosti)
  možnost ovládání osvětlení z několika míst (lustrový vypínač)
  možnost umístění do vlhkých prostor (koupelny ap.), napájení bezpečným napětím (9V baterie)

Technické parametry:

Napájení: 9V ss (destičková baterie)
Vlastní spotřeba: v klidu 0, při vysílání střední hodnota impulsního proudu cca 50 mA
Naprogramování kódu: vložením procesoru tohoto ovladače do stmívače, naučení provedeme stejně jako u stmívače, pak procesor přemístíme zpět
Ovládání stmívače / vypínače: stejně jako DO od spotřební elektroniky (krátký stisk zap./vyp., dlouhý vstup do regulace osvětlení)


Popis konstrukce dálkového ovladače
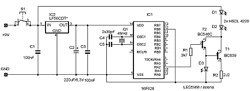
     Vlastní konstrukce je velmi jednoduchá, musí pracovat na první zapojení. Vysílač je napájen z 9V destičkové baterie. Tato baterie je připojována tlačítkem ovladače ke konstrukci, v klidovém stavu tedy ovladač nemá žádný odběr. Ke stabilizaci napětí na 5V pro procesor je použit stabilizátor LF50CDT, jde o low drop stabilizátor, který je schopen dodávat proud až 1A, a stabilizuje ještě při vstupním napětí 5,3V. Koncový stupeň vysílače je v klasickém zapojení a je napájen přímo napětím 9V. LED dioda D3 slouží ke stabilizaci pracovního bodu koncového stupně, a svým blikáním v rytmu vysílání signalizuje činnost. Díky vyššímu napájení a použití dvou infra diod je dosah tohoto vysílače podstatně větší, než dosah DO spotřební elektroniky. Také je podstatně větší směrovost ovládání (spolehlivě ovládá v místnosti z 5 metrů při otočení vysílače opačným směrem od stmívače).

Náhled na schéma - ke zvětšení obrázku klikněte na náhled



Mechanické úpravy
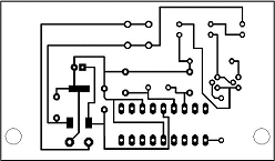
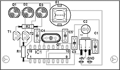
     Celek je umístěn na jednostranném plošném spoji o velikosti 75x38 mm a je vestavěn do bílé instalační krabičky. Vrchní část ovladače tvoří upravený normální vypínač. Úprava spočívá v tom, že odstraníme vnitřní části, silový vypínač a ponecháme jen rámeček vypínače s otvory, kterými jej přišroubujeme na spodní krabičku. Vlastní čtvercový vrchlík (tedy ovládací část) bude stisk přenášet na tlačítko. Bez této úpravy bychom bohužel měli málo místa na vlastní konstrukci. Ještě zbývá vyvrtat otvory pro 2 infračervené LED, jejich umístění nechám na fantazii každého konstruktéra, je však třeba dbát na to, aby nebyl zakryt optický směr mezi těmito diodami a přijímačem při ovládání. Já jsem je umístil do okraje rámečku vypínače. Taktéž umístění LED signalizující vysílání je libovolné. Stabilizátor IC2 je umístěn ze strany spojů ! Jako poslední úpravu provedeme mírné vypilování spodní strany (myšleno při umístění v rámečku) ovládacího vrchlíku, aby nepřekážela a nezadrhávala při ovládání o baterii.

Náhled na plošný spoj, plnou velikost naleznete na konci stránky v archivu ke staženíNáhled na osazení, plnou velikost naleznete na konci stránky v archivu ke stažení



Fotografie upřesňující mechanickou úpravu
Toto jsou náhledy, větší obrázky získáte po kliknutí na náhled, nebo na konci stránky v archivu ke stažení.

Kompletní konstrukce
Náhled na vnitřní konstrukci, větší obrázek získáte po kliknutí na náhled, nebo na konci stránky v archivu ke stažení.
Úprava rámečku
Náhled na úpravu, větší obrázek získáte po kliknutí na náhled, nebo na konci stránky v archivu ke stažení.
Úprava hmatníku
Náhled na úpravu, větší obrázek získáte po kliknutí na náhled, nebo na konci stránky v archivu ke stažení.


Popis software
     Program mikroprocesoru je pomyslně rozdělen na dvě části. Učení kódu a vysílání. Kterou část má procesor vykonávat je rozpoznáváno podle stavu na portu RB6. Pokud je uzemněn (umístění v konstrukci vysílače), bude se vykonávat vysílání, pokud není zapojen (umístění v konstrukci stmívače), bude se vykonávat učení kódu. Pro okamžité použití bez nutnosti učení kódu je v paměti EEPROM procesoru již uložen kód, kterým můžeme stmívač přímo naprogramovat. To využijeme, pokud nechceme navíc stmívač ovládat DO od spotřební elektroniky, ale jen tímto vysílačem.
     Pokud chceme použít jak DO od spotřební elektroniky tak tento vysílač, musíme vysílač stejně jako stmívač nejprve naučit kód. Učení kódu a záznam telegramu DO zajišťuje rutina využitá i ve stmívači. Její detailní popis naleznete na stránce popisu příjmu a dekódování infračerveného dálkového ovládání. Pro zjednodušení je tato činnost prováděna tak, že vyjmeme procesor vysílače, vložíme jej do stmívače a provedeme jeho naprogramování (naučení kódu) ovladačem od spotřební elektroniky. Poté jej vyjmeme a vložíme zpět do vysílače. Pak vložíme do konstrukce stmívače procesor se softwarem stmívače a provedeme stejné naučení kódu. POZOR - pro učení obou kódů použít vždy DO od spotřební elektroniky, pokud naučíte jen vysílač, a jeho kódem potom stmívač, je možné, že stmívač nebude reagovat na povely DO od spotř. elektroniky.
     V módu vysílání procesor vybírá uložená data z EEPROM. Každá hodnota je v podstatě doba, uplynulá mezi impulsy, změřená při záznamu kódu. Procesor nejprve tedy vysílá po dobu 256 us modulovaný paprsek, a pak čeká, až uplyne doba uložená na té které pozici v EEPROM. Po jejím uplynutí následuje vyslání dalšího modulovaného impulsu, načte se další "čekací doba" a tato činnost se opakuje, dokud procesor nedojde na konec zaznamenaného telegramu.
     Jestliže procesor dojde na konec dat, je generována delší časová pauza (konec rámce dat) 15 msec. pro oddělení jednotlivých telegramů. Pro lepší pochopení se můžete podívat opět na stránku popisu příjmu a dekódování infračerveného dálkového ovládání, kde jsou tyto pauzy na obrázku dobře viditelné. Po uplynutí této časové prodlevy začíná vysílání opět od začátku. Modulace infračerveného paprsku je prováděna střídavým rozsvicováním a zhasínáním infra LED pomocí časové smyčky tak, aby se výsledný kmitočet co nejvíce blížil 36 kHz (i když tato hodnota není zase až tak kritická), což je kmitočet čidla SFH506/36 ve stmívači.


Rozpiska součástek

 C1,C3 keramický 100nF
 C2 elektrolyt 220uF/6,3V
 C4,C5 keramický 39pF
 R1 rezistor miniaturní 2k7
 R2 rezistor miniaturní 2j2
 D1,D2 infra LED HSDL 4220
 D3 LED zelená 5mm
 IC1 naprogramovaný mikroprocesor PIC16F628-20/P
 IC2 low drop stabilizátor LF50CDT
 Q1 krystal 4MHz / HC49U-V
 S1 tlačítko DTE-6
 T1 BC639
 T2 BC546C
Patice DIL 18 precizní

Program procesoru pro tuto konstrukci byl uvolněn ke stažení.
Pokud nevlastníte programátor, můžete si naprogramovaný čip i plošný spoj konstrukce objednat na mojí e-mailové adrese.

Ke stažení jsou tyto soubory:

Velikost 21 kByte Schémata a plošné spoje ovladače ve formátu EAGLE 4.01
 
Velikost 108 kByte Schémata a plošné spoje ovladače ve formátu *.jpg
 
Velikost 198 kByte Fotografie ovladače *.jpg
 
Velikost 3 kByte Software ovladače *.hex pro 16F628 a 16F628A

Vytisknout stránku

Zpátky Zpátky
© DH servis 2002 -